專注聯軸器研發與制造 打造聯軸器行業領軍品牌
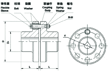
FCL型彈性套柱銷聯軸器產品介紹:
FCL型彈性套柱銷聯軸器的特點是結構簡單,安裝方便,更換容易,尺寸小,重量輕,因而得到廣泛使用,如若安裝調整后能保持兩軸相對位移量在規定的范圍內,則聯軸器會有滿意的使用性能和較長的工作壽命。因此能廣泛用于載荷不大,由電動機驅動的各種中、小功率傳動軸系中,如減速機、起重機、壓縮機、輸送機、紡織機、卷揚機、球磨機等。
彈性套柱銷聯軸器的許用相對位移: 徑向位移:0.2~0.6mm 角位移:0°30′~1°30′



關鍵詞: 彈性聯軸器 聯軸器

關鍵詞: 彈性聯軸器 聯軸器

關鍵詞: 彈性聯軸器 聯軸器